Vincristine
Match the chemotherapeutic agents with the most common side effects.
Cyclophosphamide is an alkylating agent that cross-links DNA and also inhibits DNA synthesis. Hemorrhagic cystitis and alopecia are common side effects. Cisplatin causes renal damage and neural toxicity, therefore patients must be well hydrated. Its mode of action does not fit a specific category. Paclitaxel can produce allergic reactions and bone marrow depression. Bleomycin and doxorubicin are antibiotics whose side effects are pulmonary fibrosis and cardiac toxicity, respectively. Vincristine arrests cells in metaphase by binding microtubular proteins and preventing the formation of mitotic spindles. Peripheral neuropathy is a common side effect.
Match the figure with the correct description.
The tumor is an opened mature cystic teratoma (dermoid tumor), in which hair is visible.
The microscopic section is a classical example of well-differentiated adenocarcinoma of the endometrium, showing cellular pleomorphism, nuclear atypia with mitoses, and back-to-back crowding of glands with obliteration of intervening stroma; the glandular architecture of the tissue is maintained. Endometrial cancer is categorized by both stage and grade. The differentiation of a carcinoma is expressed as its grade. Grade I lesions are well-differentiated; grade II lesions are moderately welldifferentiated; grade III lesions are poorly differentiated. An increasing grade (ie, a decreasing degree of differentiation) implies worsening prognosis. Tumors may be of a mixed cell type—for example, squamous and adenocarcinoma—or may be mucinous, serous, or clear.
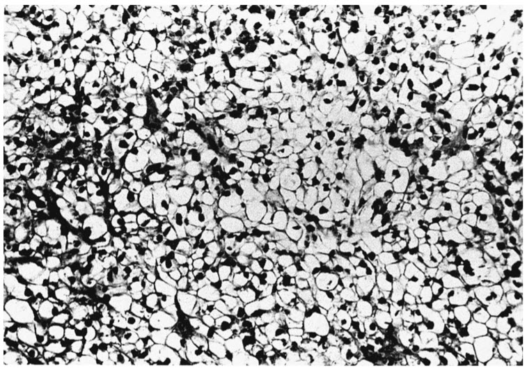
The figure shows clear cell adenocarcinoma with large, pale staining cells. Clear cell carcinoma of the endometrium is similar to that arising in the cervix, vagina, and ovary, and the histologic appearance is similar in each of these organs. Diethylstilbestrol exposure has been associated with an increased incidence of vaginal and cervical clear cell carcinomas. The tumor’s origins are suggested to be mesonephric duct remnants. The microscopic appearance of clear cell carcinoma is related to deposits of periodic acid–Schiff (PAS) stain–positive glycogen. These tumors characteristically occur in older women and are very aggressive.
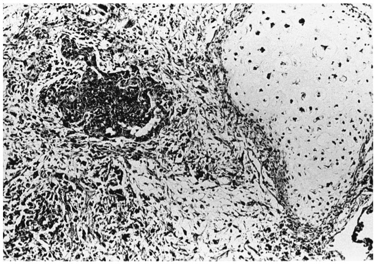
The section shows uterine carcinosarcoma, which used to be called mixed Müllerian tumors. These tumors have a combination of heterologous elements—that is, tissue of different sources (cartilage in this picture).